- 产品详情
- 产品规格
- 型号说明
- 操作保养
性能特点/Feature Description:
泵浦采用优质原生PP/PVDF,大幅提高产品耐腐蚀性及结构强度
自吸筒与法兰一体成型,无焊点,无泄露
中封盖一体成型,采用强筋稳固,寿命长
高效叶轮设计,一体成型,提高泵浦效率和使用寿命
封材质可配合使用环境选择不同材质
应用范围/Scope of application
电镀、电子、化工、皮革、染整、废水、废气及其它需要輸送的化学药液工況。
保养维护/Maintenance
1、检查入口底阀或入口滤网以避免杂质阻塞。
2、当马达运转时,注意是否有异常噪音。
3、检查是否有漏电。
4、如果裝有逆止阀,检查其功能是否正常。
5、如果泵浦內有較多結晶物,应将泵浦折開分解,將叶轮、泵体、前盖浸泡在酸性药液中清洗干净后再依次重新組裝,或將泵浦循环酸性药液,然后再用清水循环清洗干净。
6、维护该泵时应注意几个主要部位:A、滚动轴承:当长期运行后,轴承磨损到一定程度时,须进行更换。B、机械密封:机械密封在不漏液的情況下,一般不应拆开检查。若轴承体下端洩漏口处产生严重洩漏时,则应对机械密封进行拆检。裝拆机械密封时,必須轻取轻放,注意配合面的清洁,保护好静环和动环的镜面,严禁敲击碰撞。
注意事项/matters needing attention
1、检查马达功率,包括頻率、电压范围及接线。
2、重新检查以确认所有零件(法兰、底座等)已安全地固定好。
3、检查液位高度是否合适,请勿低於启动时***液位。
4、检查以确保入口阀开启。
5、旋转马达冷卻风扇,以确保它不会太紧或卡住。
6、检查各处螺栓有无松动,电源线及插頭是否完好,确保电机地线接触良好。
故障处理/Troubleshooting
产品质保三年,24小时售后服务热线:400-800-9738全程为您报价护航;
全程一对一专家指导维护服务!
规格表/Specifications:
|
规格 Spec. |
比重 Sp. |
入口 Inlet(mm) |
出口 Outlet(mm) |
50HZ |
泵浦功率 Power(Kw) |
||
|
|
|
|
|
全扬程 Max.Head (m) |
全流量 Max.Capacity (l/min) |
|
|
|
MGS-F-40012EBL-SSS-5D |
1.1 |
40 |
40 |
11 |
250 |
0.75 |
|
|
MGS-F-50022EBL-SSS-5D |
1.1 |
50 |
50 |
15 |
350 |
1.5 |
|
|
MGS-F-50032EBL-SSS-5D |
1.1 |
50 |
50 |
20 |
450 |
2.2 |
|
|
MGS-F-50052EBL-SSS-5D |
1.1 |
50 |
50 |
22 |
600 |
3.75 |
|
型号表示方法/Model Representation Method:

|
型号/Model |
A |
B |
C |
D |
E |
F |
G |
H |
I |
J |
K |
L |
|
MGS-F-40012EBL-SSS-5D |
283 |
264 |
351 |
695 |
202 |
252 |
263 |
125 |
204 |
40 |
40 |
12.5 |
|
MGS-F-50022EBL-SSS-5D |
283 |
264 |
351 |
705 |
202 |
252 |
263 |
125 |
204 |
50 |
50 |
12.5 |
|
MGS-F-50032EBL-SSS-5D |
283 |
264 |
351 |
705 |
202 |
252 |
263 |
125 |
204 |
50 |
50 |
12.5 |
|
MGS-F-50052EBL-SSS-5D |
283 |
264 |
351 |
705 |
202 |
252 |
263 |
125 |
204 |
50 |
50 |
12.5 |
MGS自吸泵分解示意图:
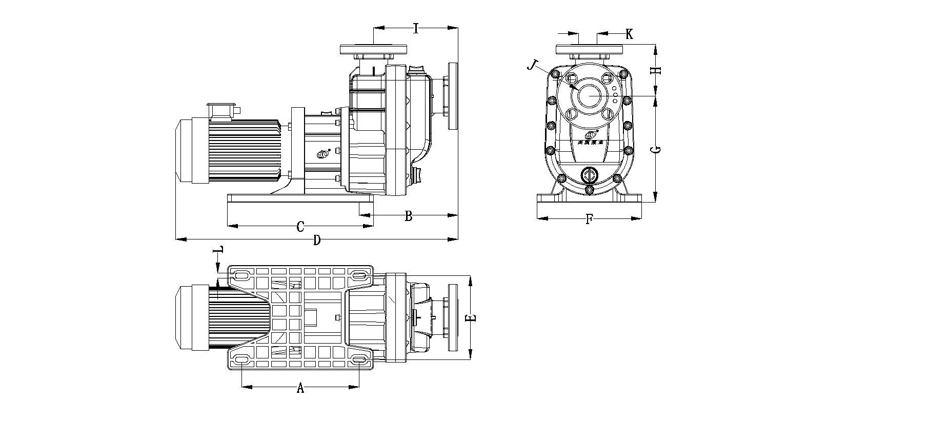
安装尺寸表/Dimensions(mm):

|
型号/Model |
A |
B |
C |
D |
E |
F |
G |
H |
I |
J |
K |
L |
|
MGS-F-40012EBL-SSS-5D |
283 |
264 |
351 |
695 |
202 |
252 |
263 |
125 |
204 |
40 |
40 |
12.5 |
|
MGS-F-50022EBL-SSS-5D |
283 |
264 |
351 |
705 |
202 |
252 |
263 |
125 |
204 |
50 |
50 |
12.5 |
|
MGS-F-50032EBL-SSS-5D |
283 |
264 |
351 |
705 |
202 |
252 |
263 |
125 |
204 |
50 |
50 |
12.5 |
|
MGS-F-50052EBL-SSS-5D |
283 |
264 |
351 |
705 |
202 |
252 |
263 |
125 |
204 |
50 |
50 |
12.5 |
- [上一个] JKB-F耐空转自吸泵
- [下一个] 耐腐蚀自吸泵
杰凯泵业
